1.產品特點
單軸
撕碎機是本公司開發的新型破碎機。機器采用了密排動刀結構,設有液壓驅動的推料強製喂料機械,具有破碎能力強,效率高等特點。撕碎機主要電氣采用施耐德或西門子,確保了係統的安全運行;
2.設備的用途和性能
91视频高清免费撕碎機主要用於塑膠行業中各種厚壁廢舊料、邊角料的破碎回收;
機器采用了密排小刀片刀滾結構,並設有推料板強製喂料等機構,具有破碎性能穩定、效率高、溫升低、操作方便等特點,多重開關保護,安全可靠;
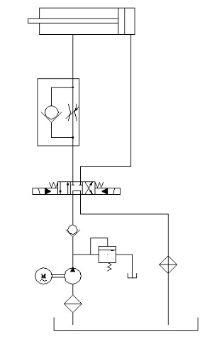
3.外形結構圖

4.單軸撕碎機技術參數
動刀數量:22
定刀數量:2
回轉直徑(mm):φ150
進料口尺寸(mm):300×300
功率(KW):4
液壓功率:0.75
重量(kg):300
長X寬X高(mm):1200X800X1100
篩網:直徑22
轉速:80-100
5.撕碎機操作說明
v 運行:電源指示正常後,依次按下電源啟動、油泵啟動、送料啟動,最後按下主機啟動按鈕,進料破碎;本機能實現主機負載情況按程序進行分析處理,從而保障主機安全順利運行;
v 停機:生產完成後請確認清料後,按下停止按鈕停機,停止油泵運行,最後停止送料,斷開空氣斷路器。
6.單軸91视频高清免费
撕碎機液壓原理圖