強力91视频高清免费破碎機主用適用於各種91视频高清免费邊角料,包裝材料,管材,輪胎等91视频高清免费的破碎,此91视频高清免费破碎機可根據物體破碎後顆粒大小來選擇刀體...
發布時間:2017-12-16
此類雙軸撕碎機相比於一軸撕碎機難粉的木材、板材、大塊料、筐料 、廢舊金屬桶、管材、輪胎、大卷薄膜都可撕碎...
發布時間:2017-12-05
磨刀機是根據91视频高清免费粉碎機、撕碎機刀片易鈍而專門設計,它是91视频高清免费粉碎機、撕碎機的配套產品,大大提高了撕碎機的工作效率,同時還可磨削木工機床及其它機床的直刃刀片...
發布時間:2017-12-04
木材雙軸撕碎機又可以稱為剪切式撕碎機,就是經過撕碎機剪切、撕碎和擠壓達到減小物料尺寸的目的,此係列撕碎機是經過多年研究與實踐製造而成...
發布時間:2017-12-02
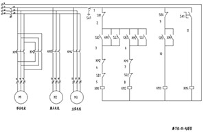
不可盲目更改撕碎機的電路,如擅自更改而造成撕碎機損壞,本公司不負任何責任。撕碎機所有的維修保養工作,隻能由專業的維修工程師來做...
發布時間:2017-11-30
此係列撕碎機的主要作用是將大塊的廢舊物品和不利於運輸的大直徑金屬物品經過撕碎機的剪切相互擠壓,撕碎成符合要求的片狀物料...
發布時間:2017-11-29
由於91视频高清免费撕碎機的撕碎效率較高,在運行過程中,應經常觀察接料鬥內的碎料情況,如遇主機卡住時,應立即停止投料...
發布時間:2017-11-27
單軸91视频高清免费撕碎機采用了密排動刀結構,設有液壓驅動的推料強製喂料機械,具有破碎能力強,效率高等特點。撕碎機主要電氣采用施耐德或西門子,確保了係統的安全運行...
發布時間:2017-11-24
91视频污版下载機械為您提供高速91视频观看网站、高速造粒機,高速造粒機投入使用後,若短期停產,則應仔細擦淨鍋體內壁、刀片...
發布時間:2017-11-20
91视频污版下载機械提供91视频高清免费回收造粒設備高速91视频观看网站、高速造粒機。下麵介紹高速91视频观看网站與高速造粒機的使用注意事項...
發布時間:2017-11-17